Three Pieces Manual Ceramic Lined Floating Ball Valve

Customization: Available
Media: W.O.G.
Material: Carbon Steel

Product Description

ℹ️

Basic Specifications

Model NO.
GAQ41TC
Connection Form
Flange
Driving Mode
Manual
Nominal Pressure
ANSI CLASS 150-900
Channel
Straight Through Type
Structure
Floating Ball Valve
Function
Blow-Down Valve
Temperature
Normal Temperature
Standard
ANSI
Application
Industrial Usage
HS Code
8481804090
Capacity
500 Pieces / Month
📝

Product Description

Three Pieces Manual Ceramic Lined Floating Ball Valve

Three Pieces Manual Ceramic Lined Floating Ball Valve

This valve is specifically designed for handling pipelines containing high hardness particles, soft particles, or highly corrosive media. It operates under a nominal pressure of 1.6MPa and is suitable for environments with temperatures below 200 degrees Celsius.

All components in contact with the media are constructed from structural ceramics. These materials offer exceptional chemical stability and a Rockwell hardness of HRC90 (second only to diamond). This ensures the valve provides superior resistance to wear, corrosion, and erosion, alongside excellent insulation and minimal thermal expansion properties.

The ball is manufactured using precision grinding processes to achieve high roundness and surface quality. When paired with the valve seat, ZrO2 ceramics provide self-lubricating properties for a perfect seal. These valves typically offer a service life 2-4 times longer than titanium or Monel alloy alternatives.

Product Features

1. Excellent Wear Resistance

The ceramic ball and seat provide extreme hardness, significantly extending the valve's operational life in abrasive conditions.

2. Superior Sealing

High resistance to deformation ensures a reliable, leak-proof seal even under high-pressure industrial use.

3. Corrosion Resistance

Ideally suited for chemical and pharmaceutical applications where media can be highly corrosive to standard metals.

4. Low Fluid Resistance

The straight-through design ensures the ball is coaxial with the fluid channel, reducing energy consumption and pressure drops.

📐

Technical Parameters

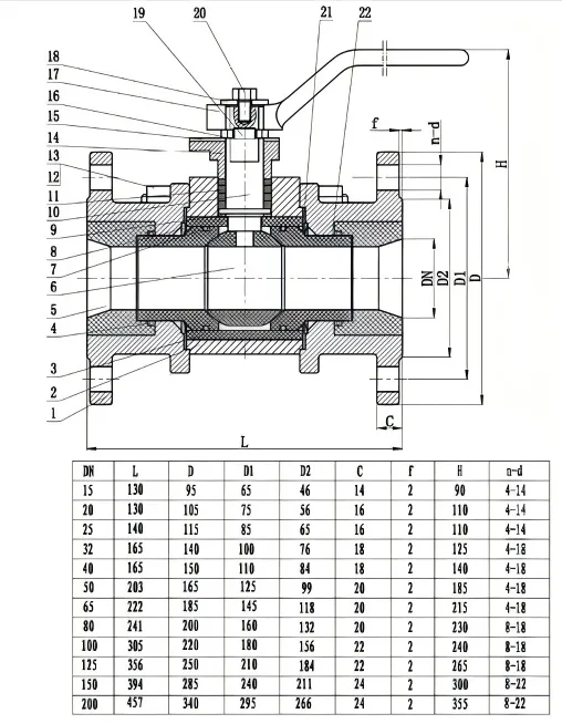
Size1/2" ~ 12"
Pressure rating150LB / 300LB / 600LB
Body materialCarbon steel, stainless steel, or other materials
Trim materialCS+ENP, 13Cr, F304, F316, INCONEL, MONEL, DUPLEX, etc.
Driving modesLever, Gear, Pneumatic, Electric
🖼️

Product Display

Frequently Asked Questions

Q1: What are the main advantages of using ceramic lined valves over metal valves?

Ceramic lined valves offer much higher hardness (HRC90) and better chemical stability. This makes them 2-4 times more durable than titanium or Monel alloy valves when dealing with abrasive or corrosive media.

Q2: What temperature range can these ceramic valves handle?

These specific ceramic lined floating ball valves are designed to perform reliably at temperatures below 200 degrees Celsius.

Q3: Are these valves suitable for pipelines with solid particles?

Yes, they are specifically designed for pipelines containing high-hardness particles or a mix of soft particles and corrosive fluids due to their extreme wear resistance.

Q4: What size and pressure ratings are available?

Sizes range from 1/2" to 12", with pressure ratings available in ANSI Class 150LB, 300LB, and 600LB.

Q5: Can these valves be automated?

Yes, while the standard manual mode is a lever or gear, they can also be configured with pneumatic or electric actuators for automated systems.

Related Products